1. 서 론
2. 실험 조건 및 분석방법
2.1 실험 조건
2.2 침강속도 측정 방법
2.3 PIV 데이터를 이용한 난류 운동에너지 소산율 추정
2.4 경험적 모드 분해(Empirical Mode Decomposition, EMD)를 통한 유속의 난류 성분 추출
3. 실험결과 분석
3.1 침강속도 측정 결과
3.2 난류 인자 측정 결과
3.3 결과 분석 및 논의
4. 결 론
1. 서 론
하천 및 호소 등 수계 내의 유사와 미세플라스틱과 같이 완전히 주변 수체 흐름과 동일하게 거동하지 않는 관성입자의 이동 및 확산 거동을 예측하는 것은 수계 내에 설치된 수공 구조물 및 인근의 생태 환경의 유지관리에 필수적이다. 이에 따라, 수체 내의 관성입자의 추적을 위해, 무작위행보기법(random walk method)을 기반으로 한 다양한 입자추적모델들이 개발되어 왔다. 이러한 입자추적모델에서 입자의 연직방향 변위는 정지 수체에서의 최종침강속도를 사용하여 모델화되고 있으나, 실제 자연 수체에서의 난류 흐름에서는 부적합한 것으로 보고되고 있다(Nielsen, 1993; Wang and Maxey, 1993; Yang and Lei, 1998; Yang and Shy, 2003; Bec et al., 2014; Jacobs et al., 2016; Wang et al., 2018). 국내외에서 널리 쓰이고 있는 입자추적모델의 예시로, EFDC (DSI, 2022)의 입자추적모델은 입자의 물성치를 고려하지 않고, 연직방향 확산계수와 유속만을 이용하여 분산에 의한 연직방향 변위를 계산한다. Delft3D (Deltares, 2022)의 입자추적 모듈에서는 흐름, 폭 방향으로는 입자가 유속과 같은 속도로 움직이도록 하고, 연직방향으로는 입자의 침강속도를 사용자가 정의하는 입력값으로 사용하여 변위를 계산한다. MATLAB 기반의 오픈소스모델인 TrackMPD (Jalón-Rojas et al., 2019)는 3D 모델로, 연직방향 유속과 입자의 침강속도의 선형 합을 통해 연직방향 변위를 계산한다. 이처럼 입자추적모델에서 다양한 방법으로 입자의 연직방향 변위 예측을 수행하고 있으며, 대부분 정지 수체에서 최종침강속도를 수체 내에서의 입자의 연직방향 속도로 계산한다.
선행 연구에 따르면 난류 유동에서 관성입자의 침강속도는 대체로 정지 상태의 유체에서의 침강속도보다 빠르며, 난류와 입자 특성에 따라 그 침강속도의 변화율이 달라진다. 따라서 난류 유동에서 난류의 영향으로 침강속도 자체가 변화한다면, 수체의 난류 특성과 입자 특성에 따른 침강속도 변화 양상을 분석하고, 이를 기존 입자추적모델에서 사용하는 정지 수체의 침강속도 대신 이용하여 보다 정확한 관성입자의 거동 예측이 가능할 것이다. 난류 유동에서의 관성입자의 침강 거동을 다룬 대부분의 선행 연구에서 난류와 입자 특성이 침강속도 변화에 미치는 영향을 입자완화시간(particle relaxation time; )과 Stokes 수(St)를 이용하여 조사하였다. 여기서 Stokes 수는 입자완화시간과 Kolmogorov 시간 스케일(Kolmogorov time scale; )의 비로 다음과 같이 표현된다.
입자완화시간은 유체 내 입자의 침강 거동의 동적 안정화에 소요되는 시간으로 입자 밀도 , 입자 직경 d, 그리고 유체의 동점성계수(dynamic viscosity) 에 대해 다음의 식으로 계산된다.
Kolmogorov 시간 스케일 은 난류 운동에너지 소산율 과 유체의 동점성계수(kinematic viscosity) 를 이용하여 다음과 같이 계산된다.
난류 유동에서 Stokes 수에 따른 입자의 침강속도 변화에 대한 선행연구들을 요약하여 Table 1에 수록하였다. Nielsen (1993)은 난류 유동에서 입자의 침강속도가 증가하거나 감소하는 현상의 물리적 메커니즘을 제시하였고, Wang and Maxey (1993)와 Yang and Lei (1998)는 대기 중의 에어로졸이나 구름 속의 물방울과 같이 큰 밀도비(1,000; : 유체의 밀도)의 입자를 대상으로 운동방정식을 간소화하여 난류 유동에서의 입자의 침강 거동에 대한 수치 모의를 진행하였다. 그 결과, 일 때, 최대의 침강속도 증가율을 가짐을 제시하였다. 침강속도 증가율은 다음 식으로 정의된다.
Table 1.
Summary of preceding research
| References | Method | Technique | Flow Condition |
Settling velocity change (Increase: +, Decrease: -) | Contents |
| Nielsen (1993) |
Laboratory Experiment |
Displacement in images | Stationary* | ± |
Proposed mechanisms of settling velocity changes |
| Wang and Maxey (1993) |
Numerical Simulation | DNS | Stationary* | + | Maximum when |
| Yang and Lei (1998) |
Numerical Simulation | DNS, LES | Stationary* | + | Maximum when |
| Yang and Shy (2003) |
Laboratory Experiment | PTV, PIV | Stationary* | + | Maximum when |
| Bec et al. (2014) |
Numerical Simulation | DNS | Vertical Flow | + |
Maximum dependent on , |
| Jacobs et al. (2016) |
Laboratory Experiment | PTV, PIV | Stationary* | + | Maximum when |
| Wang et al. (2018) |
Laboratory Experiment | PTV, PIV | Flume | ± | Maximum when |
* Stationary turbulence generated by turbulence tank; DNS: Direct Numerical Simulation;
LES: Large Eddy Simulation; PTV: Particle Tracking Velocimetry; PIV; Particle Image Velocimetry
: settling velocity difference between turbulent and stagnant water, : particle relaxation time,: Kolmogorov time scale, : Turbulent kinetic energy dissipation rate, : gravitational acceleration,: kinematic viscosity, : Streamwise root-mean-square velocity, : Kolmogorov length scale
여기서 는 입자의 침강속도, 는 난류 수체에서의 침강속도, 는 정지 수체에서의 최종침강속도이다.
Bec et al. (2014) 또한 큰 밀도비의 입자에 대해 연직방향 흐름이 존재할 때, 입자의 침강 거동에 대한 수치 모의를 수행하였고, 흐름과 난류 특성을 반영하는 무차원수로 침강속도 증가율의 경향성을 설명하였다. 그러나 수체 내의 유사나 미세플라스틱 같은 입자의 경우, 유체(물)와 입자의 밀도비가 O(1)~O(10)의 크기를 가지기 때문에 운동방정식을 간소화하여 수체 내의 입자 거동을 해석하는 데에는 한계가 존재한다. Yang and Shy (2003)는 난류 탱크를 이용하여, 평균 흐름이 존재하지 않는 난류에서 유리( = 2.5), 텅스텐( = 19.3) 입자의 침강 실험을 수행하였다. 그 결과, 에서 침강속도의 증가율이 최대가 되는 것을 보였다. 그리고 Jacobs et al. (2016) 또한 난류 탱크에서 합성수지( = 1.44)를 이용하여 침강실험을 수행하였으며, 그 결과 0.01 < St < 0.1 부근에서 입자의 침강속도 증가율이 최대가 된다고 제시하였다. Wang et al. (2018)은 개수로 흐름에서 유리( = 2.5) 입자의 침강 거동에 대한 실험을 진행하였으며, 입자 직경과 Kolmogorov 길이 스케일의 비가 1이 될 때(), 침강속도의 증가율이 최대가 된다고 제시하였다.
본 연구의 목적은 난류에 따른 관성입자의 침강속도 변화 특성을 규명하는 것이다. 본 연구에서 수행된 실험에서는 개수로 흐름에서 미세플라스틱 입자( = 1.35 ~ 1.41)를 이용하여, 난류 유동에서의 침강속도 변화를 관측하고 이를 난류 특성과 입자 특성의 관계를 통해 분석하였다. 본 연구에서 수행한 실험의 Stokes 수에 대한 조건을 선행된 실험 연구들의 실험 결과와 비교하여 Fig. 1에 도시하였다.
2. 실험 조건 및 분석방법
2.1 실험 조건
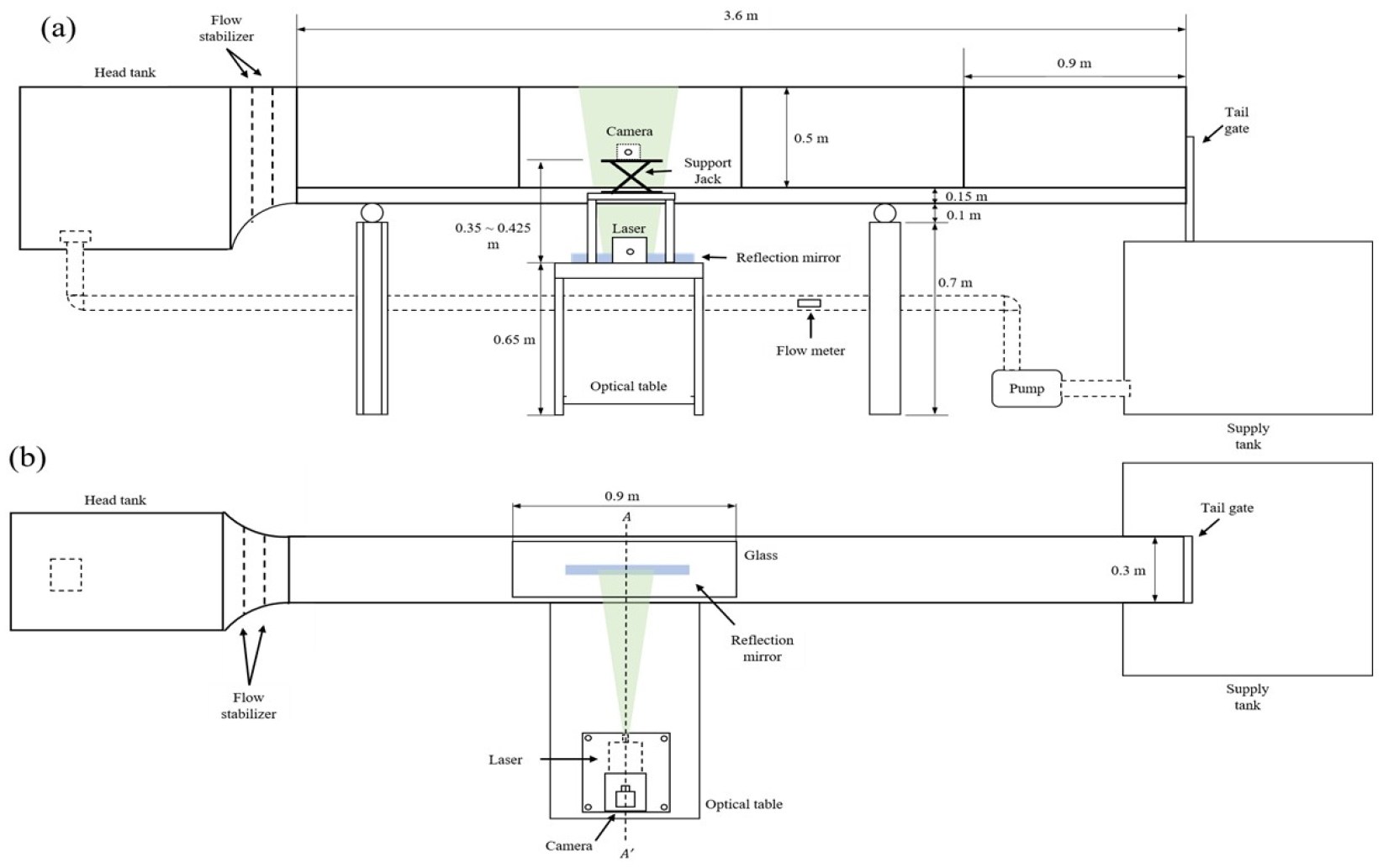
본 연구에서 입자의 침강 실험에서 사용한 실험용 개수로(길이 3.6 m, 폭 0.3 m)를 Figs. 2 and 3에 제시하였다. 저수조의 물을 펌프를 이용하여 상류로 보내는 순환수로이며, 최대 400 L/min의 유량을 공급할 수 있다. 유량은 밸브를 통해 조절되며, 파이프 내에 설치된 유량계를 통해 유량을 확인할 수 있다. PIV (Particle Image Velocimetry)와 레이저를 이용한 입자 추적을 위해, 실험 수로의 상류로부터 0.9~1.8 m 구간의 바닥은 유리로 되어 있으며, 수로 아래에 45°의 반사거울을 설치하여 수로 중앙에 레이저 시트(laser sheet)가 생성되도록 하였다.
실험 입자는 주사기를 통해, 물과 함께 레이저 시트 안으로 주입되어 PTV (Particle Tracking Velocimetry) 기법을 통해 침강 궤적을 추적하였다. PTV와 PIV를 위한 영상 취득을 위해 최대 200 fps, 1280 × 1024 pixels의 영상이 촬영 가능한 CMOS 카메라(pco.1200hs, PCO AG, Kelheim, Germany)에 입자 크기에 따라 Nikkor 35 mm f/2D, Nikon 60 mm f/2.8D 렌즈를 부착하여 사용하였다. PIV 측정을 위한 추적입자로는 Silver Coated Hollow Glass Spheres 10 µm (S-HGS-10, Dantec Dynamiccs)가 사용되었다.
본 실험에서는 총 8가지 크기의 입자를 사용하였으며, 그 중 1 mm 이하의 입자는 Cospheric LLC에서 제조된 = 1.35의 PE (polyethilen) 소재의 구형의 미세플라스틱 입자를 사용하였다. 해당 입자들은 작은 크기로 인해 불가피한 제작 오차를 가지고 있으며, 실험 결과의 분석에는 제작 신뢰구간의 중앙값에 해당하는 d50 값을 사용하였다. 2 mm 이상의 입자는 POM (polyoxymethylene) 소재의 = 1.41의 구형 입자를 사용하였고 별도의 제작 오차를 제공하고 있지는 않다. 그리고 흐름과 난류 조건의 변화를 위해 200 L/min, 250 L/min, 300 L/min, 3가지의 유량 조건을 실험에 사용하였다. 각 유량 조건에서 8가지 입자를 이용한 실험을 진행하였으며, 모든 실험 케이스는 유량 별 레이놀즈 수와 입자 조건과 함께 Table 2에 나타내었다.
Table 2.
Experimental cases
2.2 침강속도 측정 방법
개수로 흐름 내에서의 입자의 침강 거동은 PTV 기법을 통해 추적하였다. 촬영된 영상은 원활한 분석을 위해, Fig. 4에 제시된 감마 보정, 배경 제거, 이진화의 전처리 과정을 수행하였다. 전처리된 영상에서 인식되는 입자 크기를 바탕으로, 입자의 중심 위치를 인식된 입자 면적에 대한 가중 평균을 이용하여 계산하였다.
Fig. 5는 24개 실험 케이스 중 2개의 예시로, PTV 기법을 통해 추적된 입자 궤적의 결과이다. (a)는 유량이 작을 때인 Q1D1, (b)는 고유량에 해당하는 Q3D2 케이스이다. 원활한 입자 궤적 분석을 위해, 이미지 상의 입자 크기 조절을 위해, 입자 케이스에 따라 카메라와 실험 수로 사이의 거리를 조절하여 FOV (Field of View)가 상이하게 나타나도록 하였다. 따라서 두 케이스의 분석 결과 이미지의 픽셀 당 실제 길이에는 차이가 존재한다.
PTV 기법을 통해 추적된 입자의 침강속도를 구하기 위해 입자 궤적의 공간 데이터로부터 차분을 적용하였을 때 발생하는 오차를 최소화하고자, 추적된 입자의 시간에 따른 연직방향 변위를 Eq. (5)의 스플라인 피팅(spline fitting)을 통해 구간적 3차 다항함수(piecewise cubic polynomial function) s (t)로 근사하였다. 그리고 s (t)를 시간에 대해 미분하여 입자의 시간에 따른 연직방향 속도 함수를 계산하고, 이를 입자의 침강속도 데이터로 사용하였다.
따라서 입자의 침강속도는 프레임마다 계산되었으며, 계산된 침강속도 분포의 평균과 표준편차를 결과 분석에 활용하였다. Fig. 6은 Fig. 5에 제시된 Q1D1, Q3D2 케이스의 침강속도 분포를 경험적 누적분포함수(ECDF)로 표현한 결과이다. 같은 케이스에서 측정된 입자 중에서도 입자들 간에 평균적인 침강속도에 차이가 존재한다. 이는 플라스틱 재질로 제작된 입자 특성 상, 작은 입자일수록 정전기적 효과에 의해 뭉치는 응집 현상이 발생하여 침강속도에 영향을 주었을 것이라 판단된다. 입자 주입기에 입자와 함께 계면활성제를 섞은 물을 함께 주입함으로써 이런 영향을 최소화하고자 하였으나 불가피하게 뭉친 입자들이 존재하여 개별 입자의 침강속도 관측에 오차를 야기했을 수 있다.
2.3 PIV 데이터를 이용한 난류 운동에너지 소산율 추정
Kolmogorov microscales과 그에 따른 Stokes 수의 측정을 위해, 난류 운동에너지 소산율(turbulent kinetic energy dissipation rate; TKE dissipation rate)의 추정이 선행되어야 한다. 에너지 소산율의 정확한 추정을 위해서는 유속의 공간 변화율(spatial gradient)이 필요하다. 이에 따라, 시공간적으로 고해상도의 유속 데이터를 측정하여야 하지만, 여러 대의 측정 장비를 동시에 활용하여 난류의 길이 스케일 만큼의 공간적인 고해상도를 얻는 것은 현실적인 한계가 존재한다. 따라서 본 연구에서는 Sheng et al. (2000)이 제안하고, Bertens et al. (2015)이 발전시킨 PIV 측정 데이터를 이용하여 난류 운동에너지 소산율을 계산하는 기법을 적용하여 난류 분석을 수행하였다. PIV 기법의 경우, 비접촉 방식의 유속 측정 기법으로 흐름에 교란을 주지 않는 장점이 있기 때문에 본 실험과 같이 관성입자의 침강 거동 관측에 사용하기에 적합한 방법으로 판단된다.
난류 운동에너지 소산율 은 정의에 따라, Eq. (6)으로 계산될 수 있다(Bertens et al., 2015).
이 때, 이고, 은 PIV 분석에 사용된 조사구역의 크기(interrogation window size)이다. Csm은 Smagorinsky 상수로, Bertens et al. (2015)은 기존에 0.17로 사용되던 Csm 값을 PIV 분석에 사용된 중첩비(overlap ratio)와 PIV 데이터의 후처리 과정인 유속의 공간 변화율 산정 방법에 따라, 보정된 Smagorinsky 상수를 적용해야 할 필요성을 제시하였다. 이에 따라, 본 연구에서는 50%의 중첩비와 Eq. (7)의 유속의 공간 기울기 산정 방법을 사용하였으며, 해당 조건에 상응하는 Csm = 0.225의 보정된 Smagorinsky 상수 값을 사용하였다.
위의 과정을 통해 추정된 난류 운동에너지 소산율과 실험 당시 측정된 수온 16℃의 동점성계수(kinematic viscosity) = 1.106×10‒6 m2/s를 이용해 Eq. (3)의 Kolmogorov 시간 스케일과 Eq. (8)의 Kolmogorov 길이 스케일을 산정하였다.
2.4 경험적 모드 분해(Empirical Mode Decomposition, EMD)를 통한 유속의 난류 성분 추출
유속 데이터를 통한 난류 특성 분석을 수행하기 위해, 실험 수로에서 진행한 PIV 결과에서 유속의 비정상성의(unsteady) 흐름이 관측되었다. 이에 따라, 경험적 모드 분해(EMD) 기법을 통해, 유속의 시계열 자료에서 난류 성분만을 추출하여 난류 분석을 수행하였다. EMD는 Huang et al. (1998)이 제시한 비선형, 비정상성의 시계열 자료를 내재 모드 함수(Intrinsic Mode Function, IMF)들로 분해하고 고차의 IMF, 즉 장주기적인 추세(trend)를 제거하여 복잡한 신호를 분리하는 기법이다. EMD 기법을 통해 분리된 각각의 IMF들은 이론적으로 평균이 0이며, 영점 교차(zero-crossing)을 수행하였을 때, 하나의 극값을 가지게 된다. 이 기법은 다양한 선행연구에서 비정상성의 흐름의 유속 시계열 자료로부터 상대적으로 저주파수의 성분을 분리하여 비정상성의 흐름에서 난류 분석을 수행하는 데에 사용되어 왔다(Foucher and Ravier, 2010; Sadeghi et al., 2019; Chen et al., 2022). EMD는 다음의 알고리즘을 따라 수행된다.
1. 시계열 자료의 극값(local extrema)을 찾는다.
2. 각각의 극댓값들을 3차 스플라인 보간(cubic spline interpolation)을 통해 포락선(envelope)을 생성한다. 극댓값으로 이루어진 포락선을 , 극솟값으로 이루어진 포락선을 로 둔다.
3. 두 포락선의 평균 을 계산한다.
4. 기존 시계열 자료와 의 차를 계산한다.
5. 가 전술된 IMF의 특성(평균이 0, 영점 교차 시 하나의 극값)을 만족하면 이를 첫 번째 IMF, 로 두고, 잔차는 로 계산된다.
6. 에 대해 1~5의 과정을 반복하여 다음 차수의 내재 모드 함수를 계산한다.
위의 과정은 내재 모드 함수의 차수가 늘어나며 가 매우 작아져 무시 가능할 때까지 반복된다. 최종적으로 기존 시계열 자료는 Eq. (9)와 같이 표현된다.
Fig. 7은 Q3 케이스의 수심 중앙 지점(바닥으로부터 13 cm)의 흐름 방향 유속 시계열 자료를 경험적 모드 분해 기법을 통해 내재 모드 함수들과 잔차 함수로 분리한 결과이다. 분리된 내재 모드 함수들에서 난류 성분을 나타내는 함수들을 분리하기 위해, 각각의 파워 스펙트럼을 Fig. 8에 도시하였다. Fig. 7에서 6번째 내재 모드 함수부터 난류 스케일 이상의 주기성이 지배적이며, Fig. 8에서 해당 모드 함수부터 고주파수에서 나타나는 난류 특성이 나타나지 않는 것으로 미루어보아, 6~8번째 내재 모드 함수를 추세(trend)로 판단하고, 1~5번째 내재 모드 함수를 합해 난류 성분으로 고려하였다(Foucher and Ravier, 2010). 이러한 과정을 통해 Fig. 9과 같이 PIV를 통해 각각의 조사구역(interrogation window)에서 측정된 유속 데이터로부터 장주기적 추세를 제거한 난류 성분을 추출하여 신호를 재구성한 뒤, 난류 분석을 수행하였다.
3. 실험결과 분석
3.1 침강속도 측정 결과
난류 수체에서의 침강속도 측정 결과와 정지 수체에서의 침강속도를 이용해 침강속도 증가율을 계산하기 위해, Jung and Seo (2022)이 본 실험에서 사용한 동일한 입자를 대상으로 측정한 정지 수체에서의 침강속도 결과를 이용했다. 해당 결과와 본 연구에서 수행한 난류 수체에서의 침강속도 측정 결과를 침강속도 증가율과 함께 Table 3에 제시하였다.
Fig. 10은 Table 3에 제시된 결과를 log스케일로 도시한 결과이다. 모든 실험 조건에서 난류 수체에서의 침강속도 측정 결과가 정지 수체에서의 침강속도보다 빠름을 확인하였으며, 그 증가 비율은 입자가 작아질수록 더 커지는 경향이 관측되었다.
Table 3.
Experimental results; settling velocity comparison of stagnant to turbulent water
3.2 난류 인자 측정 결과
PIV 분석을 통해 측정된 유속 데이터로부터 수행한 난류 분석 결과의 FOV 내 공간 평균 값을 Table 4에 제시하였다. 흐름 방향과 연직 방향으로 측정된 유속 성분은 다음의 식을 이용하여 분리하였다.
와 는 한 지점의 유속 데이터의 시간 평균값을 의미하며, 과 은 그에 따른 난류 변동 속도 성분을 나타낸다. 난류의 세기를 나타내기 위하여 난류 강도(turbulence intensity)를 와 의 제곱평균제곱근(root-mean-square)으로 계산하여 Table 4에 제시하였다. 또한, 평균 유속 성분과 난류 속도 성분의 비를 통해 상대적인 난류 강도를 표현할 수 있으며, 흐름 방향 상대 난류 강도(streamwise relative turbulence intensity)를 로 계산하여 Table 4에 제시하였다. 그 결과, 유량이 클수록 난류 강도가 더 강함을 확인할 수 있다. Nezu and Nakagawa (1993)는 개수로 흐름에서 연직 방향 위치에 따른 상대 난류 강도에 대한 경험식을 Eqs. (12) and (13)으로 제시하였다.
여기서 Eq. (13)의 C'은 개수로 흐름의 연직 방향 유속 분포의 로그 법칙으로부터 유도되는 상수이며, 은 마찰속도에 대한 레이놀즈 수를 나타낸다. 마찰속도는 흐름의 연직 방향 위치에 따른 유속 분포의 시간 평균 값을 이용한 로그 분포 피팅을 통해 산정되었으며, Fig. 11는 산정된 마찰속도로부터 Eq. (12)와 난류 분석을 통해 얻어진 결과를 비교한 결과이다. 연직방향 위치에 따라 변동이 다소 존재하지만, EMD를 통해 재구성된 유속 신호를 이용하여 분석한 상대 난류 강도는 Nezu and Nakagawa (1993)의 경험식과 유사한 결과를 보인다.
전술한 난류 운동에너지 소산율의 추정 방법을 통해, Kolmogorov microscales (, )를 계산하여 Table 4에 제시하였다. 두 가지의 Kolmogorov microsacles 모두 유량이 커질수록 작아지는 것을 확인할 수 있으며, 이 또한 유량이 커질수록 난류의 강도가 더 강함을 의미한다. Bertens et al. (2015)은 수치 모의를 통해, 난류 운동에너지 소산율의 참값과 PIV 데이터로부터 추정된 값을 비교하여 PIV 분석 수행 시의 조사구역의 크기()와 추정된 난류 운동에너지 소산율로부터 산정된 Kolmogorov 길이 스케일()의 비가 약 20 이상이 될 때 참값에 수렴하는 것을 제시하였다. 이에 따라, 난류 운동에너지 소산율의 신뢰성 있는 추정을 위해, 이 되도록 PIV의 조사구역 크기를 설정하였고, Table 4에 해당 조사구역의 크기와 그에 따른 값을 제시하였다.
Table 4.
Experimental results; flow and turbulence measurement
3.3 결과 분석 및 논의
입자와 난류 특성에 따른 침강속도 변화를 분석하기 위해, 입자의 직경과 Kolmogorov 길이 스케일의 비()에 따른 입자의 침강속도의 증가율()을 선행연구 결과와 함께 log스케일로 Fig. 12에 도시하였다. 본 연구에서 수행된 실험 결과에서 침강속도 증가율은 입자 직경과 난류 길이 스케일의 비()가 2 이상인 경우에 크게 변하지 않는 것을 확인할 수 있으며, 반면 가 2보다 작아지는 경우에는 침강속도 증가율이 큰 폭으로 증가하기 시작하는 경향을 보인다. 특히, Q1, Q3 케이스에서는 부근에서 침강속도 증가율이 감소했다가 다시 증가하는 특징적인 거동이 관측되었다. 선행 연구 결과와 비교해보면, 입자 조건에 따라 다른 최댓값을 가지는 곡선 형태가 관측되었다. 본 연구의 실험 결과에서는 선행 연구의 결과와 달리 일 때, 침강속도 증가율이 수렴하는 현상이 나타나는데, 이는 2,000, 3,000 µm 크기의 입자의 실험 결과로 선행 연구에 비해 절대적으로 큰 크기의 입자가 주변 난류 영향을 받기 어려워졌기 때문이라고 판단된다.
한편, 본 연구에서 수행된 개수로 실험은 PIV를 통한 흐름가시화 실험에서 주기적인 연직 방향 흐름이 관측되었다. 난류 분석 수행 시 EMD를 통해 추세를 제거하고 난류 성분만을 분석에 활용하였으나, 연직 방향의 평균적인 흐름이 입자의 이송(advection)에 작용하여 침강속도에 영향을 주었을 수 있다. 따라서, 이러한 연직방향 흐름이 입자의 침강 거동에 미치는 영향을 확인하기 위한 침강실험이 추가적으로 필요하다는 점을 언급한다.
난류 유동에서의 관성입자 침강 거동을 다룬 실험 연구들의 결과와 본 연구에서 수행된 측정 결과를 함께 log스케일로 Fig. 13에 도시하였다. Fig. 12과 마찬가지로 침강속도 증가율과 Stokes 수의 그래프는 입자 조건에 따라 침강속도 증가율의 최댓값이 각각 다른 Stokes 수에서 관측되는 곡선 형태를 지니는 것으로 관측되었다. 본 연구의 실험 입자와 유사한 밀도의 입자를 사용한 Jacobs et al. (2016)의 결과를 종합해보면, 의 입자는 St = 102 부근에서 침강속도 증가율의 곡선이 최댓값을 가지는 것으로 나타난다. 이는 더 작은 Stokes 수에 대한 실험을 통해, 침강속도 증가율이 감소하며 최댓값을 가지게 되는지, 그리고 다양한 입자 조건에 대한 실험을 통해 입자 조건에 따라 난류의 영향이 침강속도 증가율에 미치는 영향이 달라지는지를 추가적으로 검토해볼 필요가 있다.
4. 결 론
본 연구는 기존의 입자추적모델에서 입자의 연직방향 변위 예측에 사용되는 정지 수체에서의 침강속도가 실제 난류 유동에서는 다를 수 있음을 지적하고, 이를 실험적으로 규명하고자 하였다. 본 연구에서는 3가지 흐름 조건과 8가지 입자 조건을 조합하여 실험을 진행하였으며, PTV 기법을 통해 입자의 침강속도를 측정하고, PIV 기법을 통해 얻은 유속 데이터를 EMD 기법을 이용하여 비정상성의 유속 시계열 자료로부터 난류 성분만을 추출하였다. 이로부터 난류 운동에너지 소산율을 추정하고 흐름의 난류 특성을 분석하였다.
실험 결과, 모든 조건에서 개수로 흐름, 즉 난류 수체에서의 침강속도가 정지 수체에서의 침강속도보다 큰 것을 확인하였다. 따라서, 입자추적모델의 연직방향 변위 예측에 기존과 같이 정지 수체에서의 침강속도를 입력하여 사용한다면, 수체 내의 입자가 침강하여 바닥에 도달하는 데에 걸리는 시간을 상대적으로 길게 산정하게 되고, 이에 따라 입자의 이송 거리 또한 과대산정할 가능성이 있다.
입자와 난류 특성에 따른 입자의 침강속도의 증가율을 분석한 결과, 실험에 사용된 입자의 직경과 난류의 길이 스케일의 비가 유사해질 때(), 침강속도 증가율이 커지기 시작하는 것을 확인하였다. 그러나 관성 입자의 크기가 절대적으로 큰 경우(인 경우)에는 침강속도 증가율이 일정한 값으로 유지되는 것으로 나타났다. 그러나 선행 연구에서는 상대적으로 큰 Stokes 수(큰 입자)에 대한 실험이 수행되지 않아 동일한 현상이 입자 크기에 의해 발생하는지 검토해볼 필요가 있다. 그리고 침강속도 증가율과 Stokes 수에 대한 그래프에서 입자의 밀도에 따라 각각 최댓값을 가지는 곡선의 형태를 가지는 것으로 나타났으며, 의 입자는 St = 102 부근에서, 더 큰 밀도의 입자의 경우 St = 1에서 침강속도 증가율이 최댓값을 가지는 것으로 확인되었다. 다양한 조건의 난류 흐름에서 입자 거동을 보편적으로 설명하기 위해, 향후 다양한 입자 크기와 밀도를 이용한 침강실험이 필요한 것으로 판단된다.















